

HENGC-LZ系列金屬管浮子流量計是工業自動化過程控制中常用的一種流量測量儀表,它具有壓損小,檢測范圍大(量程比10:1),使用方便等特點,它可用來測量液體,氣體以及蒸汽的流量,特別適宜低流速小流量的介質流量測量。 HENGC-LZ系列金屬管浮子流量計有就地顯示型和智能遠傳型,帶有指針顯示,瞬時流量,累積流量,液晶顯示,上下限報警輸出,累積脈沖輸出,標準的二線制4-20mA電流輸出等多種形式,為用戶提供了非常廣闊的選擇空間。另外該儀表采用高質量的MCU微處理系統,保證了流量計在各種應用場所的優良性能。
1.適用于小管徑和低流速
2.工作可靠、維護量小、壽命長
3.對于下游直管段要求不高
4.有較寬的流量范圍度10:1
5.就地型指針指示接近于線性
6.智能型指示器帶有LCD液晶顯示,可顯示瞬時、累積流量,還可輸出脈沖、輸出報警
7.帶有溫度補償
8.有就地型、遠傳型、夾套型、防爆、耐腐等多種形式
被測介質自下而上經錐形測量管時浮子的上下端產生差壓形成上升的力,當浮子所受上升力大于浸在流體中浮子重量,浮子便上升,環隙面積就隨之增大,環隙處流體流速立即下降,浮子上下端差壓降低,作用于浮子的上升力亦隨著減少,直到上升力等于浸在流體中浮子重量時,浮子便穩定在某一高度。浮子位置的高低即對應著被測介質流量的大小。浮子內置磁鋼,在浮子隨介質上下移動時,磁場隨浮子的移動而變化。
a、對于就地型,由就地指示器中的旋轉磁鋼與浮子內磁鋼耦合,而發生轉動,同時帶動指針,通過刻度盤指示出此時的流量大小。
b、對于智能型,由智能型指示器中的一個固態磁傳感器將磁場的變化轉化成電信號,經A/D變換、微處理器,D/A輸出,LCD液晶顯示,來顯示出流量的大小及累積流量。
1、HENGC-LZ型金屬管浮子流量計
a、HENGC-LZ系列標準型外形尺寸
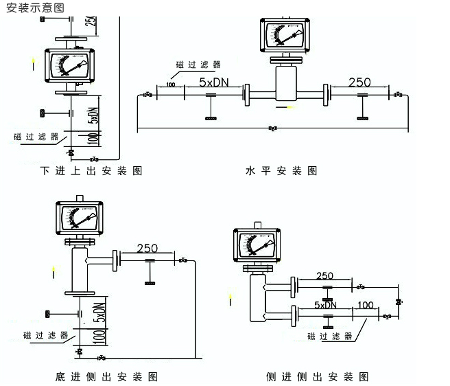
為了能讓金屬管浮子流量計正常工作且能達到一定的測量精度,在安裝流量計時要注意以下幾點:
1、金屬管浮子流量計必須垂直安裝在無振動的管道上。流體自下而上流過流量計,且垂直度優于2°,水平安裝時水平夾角優于2°;
2、為了方便檢修和更換流量計、清洗測量管道,安裝在工藝管線上的金屬管浮子流量計應加裝旁路管道和旁路閥;
3、金屬管浮子流量計入口處應有5倍管徑以上長度的直管段,出口應有250mm直管段;
4、如果介質中含有鐵磁性物質,應安裝磁過濾器;如果介質中含有固體雜質,應考慮在閥門和直管段之間加裝過濾器;
5、當用于氣體測量時,應保證管道壓力不小于5倍流量計的壓力損失,以使浮子穩定工作;
6、為了避免由于管道引起的流量計變形,工藝管線的法蘭必須與流量計的法蘭同軸并且相互平行,管道支撐以避免管道振動和減小流量計的軸向負荷,測量系統中控制閥應安裝在流量計的下游:
7、測量氣體時,如果氣體在流量計的出口直接排放大氣,則應在儀表的出口安裝閥門,否則將會在浮子處產生氣壓降而引起數據失真。
8、安裝PTFE襯里的儀表時,法蘭螺母不要隨意不對稱擰得過緊,以免引起PTEF襯里變形;
9、帶有液晶顯示的儀表,要盡量避免陽光直射顯示器,以免降低液晶使用壽命;帶有鋰電池供電的儀表,要盡量避免陽光直射、高溫環境(≥65℃)以免降低鋰電池的容量和壽命。
10、用于小口徑和低流速介質流量測量;工作可靠,維護量小,壽命長;對于直管段 要求不高;較寬的流量比10:1;雙行大液晶顯示,可選現場瞬時/累計流量顯示,可帶背光單軸靈敏指示;非接觸磁耦合傳動。